WESSEL ROHRBRUCHSICHERUNGEN TYP LHB-4K - kompakte Bauform
Produktbeschreibung
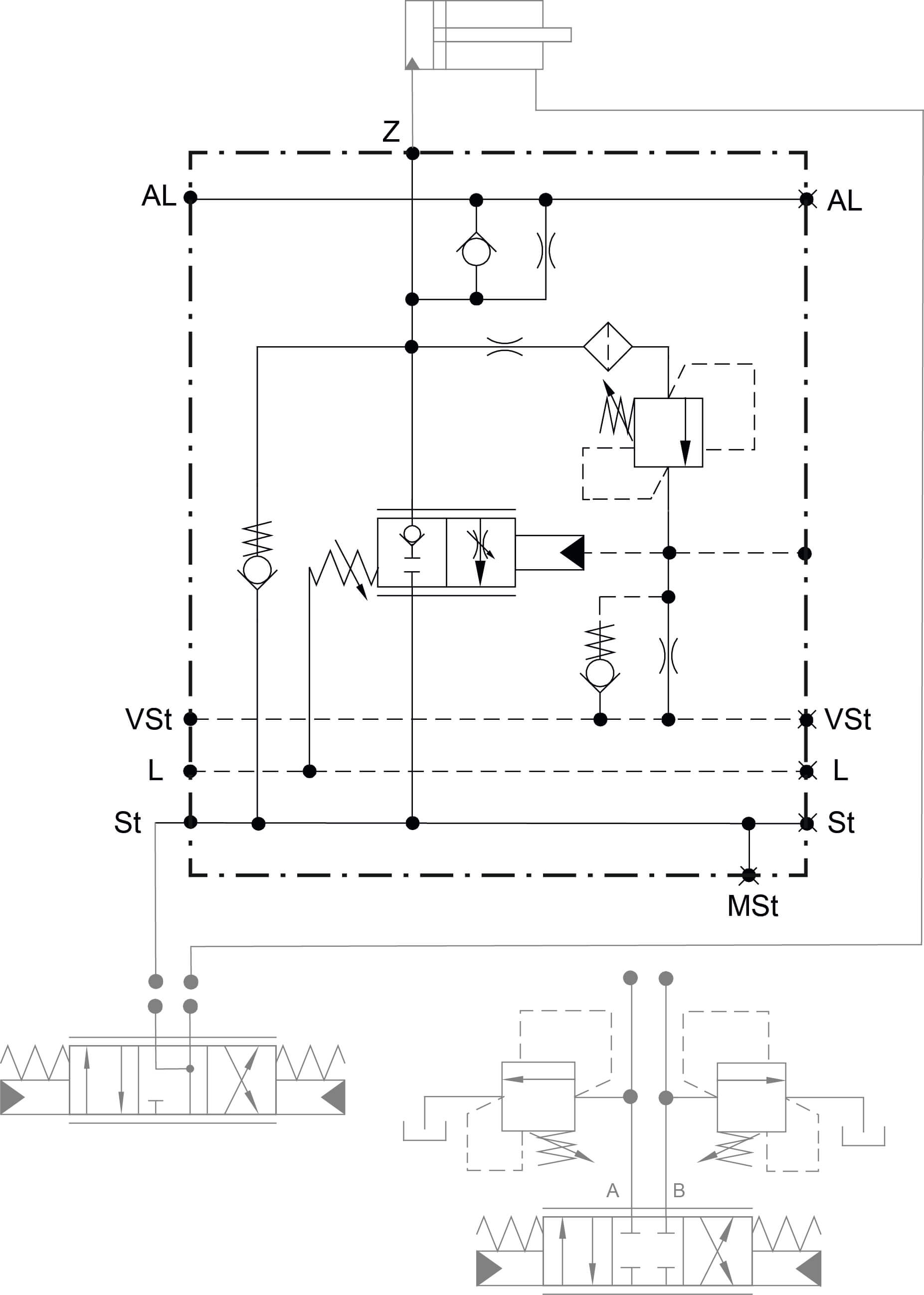
Rohrbruchsicherungen verhindern im Falle eines Rohr- oder Schlauchbruches eine unkontrollierte Zylinderbewegung. Sie dienen dazu, einen Ausleger exakt und stabil zu positionieren und ermöglichen einen gleichförmigen Bewegungsablauf. Der Typ LHB 4-K zeichnet sich durch eine sehr kompakte Bauweise aus und ist somit für kleinste Einbauräume geeignet.

Merkmale
- erfüllt die Voraussetzungen der Norm: DIN 24093, ISO 8643, EN 474
- sehr feinfühliges Ansprechverhalten
- minimale Hysterese
- Öffnungsbeginn unabhängig vom Lastdruck
- direkt auf SAE-Zylinderanschluss aufflanschbar
- Druckbegrenzungsventil mit vorgeschaltetem Filtersieb zum Schutz des Zylinders
Technische Daten
| Bauform | Anschlussgröße | Maximaler Betriebsdruck | Volumenstrom |
|---|---|---|---|
| LHB-4K | SAE 3/4" | 420 bar | 150/200/250/300/350 l/min |
| LHB-4K | SAE 1 " | 420 bar | 150/200/300/400 l/min |
| LHB-4K | SAE 1 1/4" | 420 bar | 300/400/500/600 l/min |
Anwendungen
- Bagger
- Radlader
- Material Handling Maschinen


