WESSEL Entsperrbares Rückschlagventil hydraulisch
Produktbeschreibung
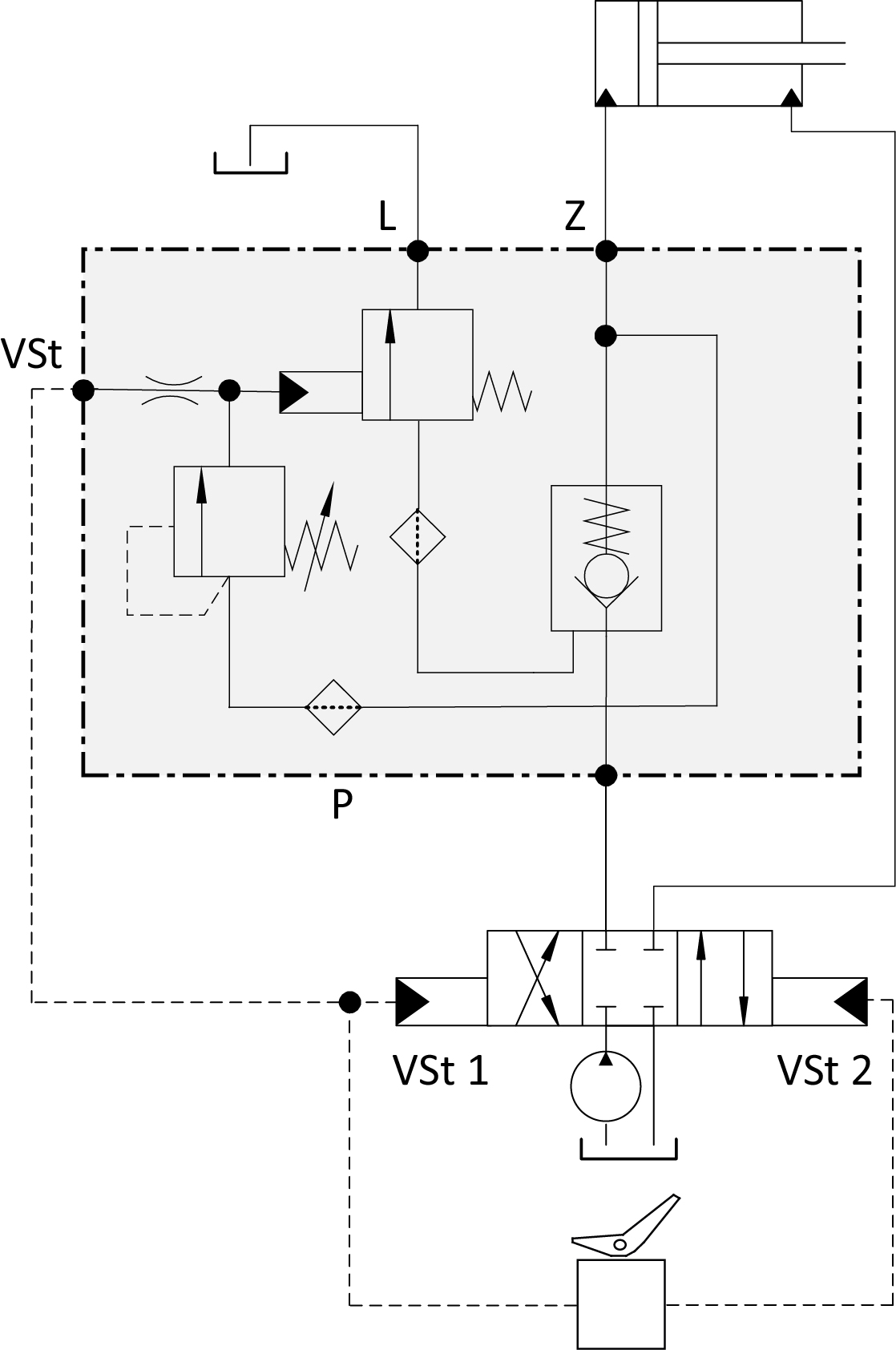
Lasthalteventile oder entsperrbare Rückschlagventile werden eingesetzt, um einen hydraulischen Verbraucher leckölfrei in einer Position zu halten, wenn es an Hauptsteuerventilen in Schieberbauweise zu Leckage in der Neutralschaltstellung kommt, die zu einem Absinken der Last führt. Die Absperrung erfolgt absolut leckölfrei. Die Ventile sind in Sitzbauweise mit gehärteten Bauteilen ausgeführt. Ein integriertes Druckbegrenzungsventil schützt den Verbraucher im gesperrten Zustand vor zu hohen Drücken. Das Entsperren des Rückschlagventils erfolgt hydraulisch über Vorsteuerdruck. Das Ventil kann direkt auf den Hauptsteuerblock der Baumaschine aufgeflanscht werden.

Merkmale
- auf die Hauptsteuerventilsektion aufflanschbar
- leckölfrei
- Druckbegrenzungsfunktion einstellbar
- geringe Druckverluste
- mit Vorsteuerdruck zu betätigen
Technische Daten
| Bauform | Anschlussgröße | Maximaler Betriebsdruck | Volumenstrom |
|---|---|---|---|
| LHV-3N | SAE 3/4" | 420 bar | 300 l/min |
| LHV-3N | SAE 1 " | 420 bar | 400 l/min |
| LHV-3N | SAE 1-1/4" | 420 bar | 600 l/min |
Anwendungsbeispiel
Verbraucher am Hauptsteuerblock lecköffrei Absperren
Da es an Wegeventilen in Schieberbauweise zu Leckage in der Neutralschaltstellung kommt, kann es zum langsamen Absinken des Auslegers bzw. der Last führen. Ist dies nicht gewollt, lässt es sich durch leckölfreie Absperrung verhindern. Über ein Rückschlagventil fließt der Volumenstrom frei vom Anschluss P zum Anschluss Z . Liegt kein Vorsteuerdruck an, ist der Verbraucher an Anschluss Z leckölfrei abgesperrt. Zum Öffnen von Z nach P muss ein Vorsteuerdruck an VST (> 6bar ) aufgebracht werden. Üblicherweise öffnen hydraulisch betätigte Steuerventile bei einem Vorsteuerdruck zwischen 7 und 10 bar. Dadurch, dass das entsperrbare Rückschlagventil vor dem Steuerschieber geöffnet wird, kann ein Entspannungsschlag vermieden werden. Betätigt fließt ein minimaler Volumenstrom in den Leckölanschluß. Um den Verbraucher vor äußeren Einwirkungen zu schützen, ist eine Druckbegrenzungsfunktion integriert. Das Druckbegrenzungsventil muss ca. 10 bar niedriger eingestellt sein, als das Druckbegrenzungsventil der Hauptsteuerung.

Anwendungen
- Bagger
- Radlader
- Material Handling Maschinen


